•   0091-22-66157017
  •   info@torqbolt.com
  • Home

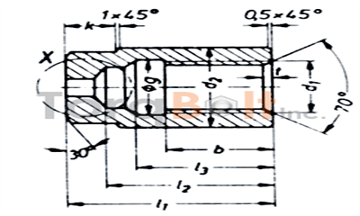
    DIN 2510 Part 6 Cap Nut

    For use with bolts with waisted Shank

    DIN 2510 Cap Nut Types

    DIN 2510 Part 6 Type AF Cap Nut

    For Regular Pattern

    DIN 2510 Part 6 Type AF Cap Nut

    DIN 2510 Part 6 Type BF Cap Nut

    For Internal Centering With Extension Sleeve

    DIN 2510 Part 6 Type BF Cap Nut

    DIN 2510 Marking

    Plain Hole Upto M56

    DIN 2510 Marking
    • Threaded hole for screw plug M48-1.5 Pitch DIN 908 for M64 & above.
    • If Cap Nuts without holes are required, the letter "O" shall be inserted in the designation like "Cap Nut BF OM 30 DIN 2510 – G"

    DIN 2510 Type AF and Type BF Part 6 Dimensions

    Dimensions in mm

    Thread size
    d1
    b d2 d3 e
    min
    k l1 l2 l3 g s t ≈ weigth in
    kg x1000 pcs
    (for AF type)
    M12 18 21 14.5 18.9 1 33 29.5 23 13 17 2 70
    M16 20.5 26 18.5 21.1 10 40 34.5 27.5 17 19 2 110
    M20 24 31 22.5 26.75 13 49 40 32 21 24 2.5 190
    M24 27.5 35 26.5 30.14 14 56 45.5 37.5 25 27 3 240
    M27 30.5 40 30.5 35.72 16 62 50.5 40.5 28 32 3 370
    M30 35 45 33.5 39.98 17 68 55 45 31 36 3.5 510
    M33 38 49 36.5 45.63 22 77 60 48 34 41 3.5 700
    M36 40.5 53.5 39.5 45.63 22 82 64.5 52.5 37 41 4 840
    M39 43 58.5 42.5 51.28 23 86 67 55 40 46 4 1070
    M42 46 63.5 45.5 55.8 23 92 72 60 43 50 4.5 1370
    M45 48.5 68.5 49.5 55.8 26 98 74.5 62.5 46 50 4.5 1600
    M48 53.5 73.5 53.5 61.31 26 103 81.5 67.5 49 55 5 1900
    M52 57 78.5 57.5 66.96 27 109 85 71 53 60 5 2400
    M56 60.5 83.5 63 72.61 27 115 90.5 76.5 57 65 5.5 2900
    M64 69.5 83.5 63 72.61 27 115 90.5 76.5 57 65 5.5 4200
    M72X6 77 105 79 83.91 32 130 99.5 85.5 65 75 6 5700
    M80X6 84 115 87 100.72 36 152 114 100 81 90 6 7300
    M90X6 93 130 97 117.67 41 168 123 109 91 105 6 10700
    M100X6 102 146 107 134.62 45 183 132 118 101 120 6 14800
    M110 x 6 111 160 119 151.42 50 199 141 127 111 135 6 19900
    M120 x 6 120 176 129 162.72 54 214 152 136 121 145 6 20100

    DIN 2510 Designation of Type AF Cap Nut with Threads

    Product Type Size Dimensional Specification Grade
    Cap Nut NF M56 DIN 2510 X6NiCrTiMoVB25-15-2

    DIN 2510 Technical Delivery Conditions

    • DIN 2510-AF is regular pattern cap nut specification suitable to match various DIN 2510 stud forms.
    • All Material Specifications are accordance with DIN 267 Part 13 or EN 10269, Though these cap nuts can be manufactured in respective ASTM/ ASME specifications on request.
    • Marking: All Cap nuts to be marked in accordance with DIN 267 Part 13
      Special Note: No Marking shall be applied to the Bearing face, Rather it should be Marked on the End face.
    • Type: Incase if required type "mg" should be according to DIN 267
      • The designation for type "m" shall read as Cap Nut NF M56 DIN 2510 –m- X6NiCrTiMoVB25-15-2 Instead of the code number, the code letter of the material can also be stated in the designation. IN such case the designation shall read as Cap Nut NF M56 DIN 2510 – G

    DIN 2510 Materials

    click heading to view

    Heat Treated Steels

    Werkstoff Number Name Mark
    1.0501 C 35 Y
    1.0503 C 45 -
    1.0540 C 50 -
    1.0601 C 60 -
    1.1151 C22E (Ck 22) -
    1.1181 C35E (Ck 35) Yk
    1.1191 C45E (Ck 45) -
    1.1221 C22E (Ck 22) -
    1.6511 36CrNiMo4 -
    1.6580 30CrNiMo8 -
    1.6582 34CrNiMo6 -
    1.7033 34Cr4 -
    1.7035 41Cr4 -
    1.7218 25CrMo4 -
    1.7220 34CrMo4 -
    1.7225 42CrMo4 -
    1.7227 42CrMoS4 -
    1.7228 50CrMo4 -

    Low temperature Steels

    Werkstoff Short name Character(Symbol) AD-2000 Specification Equivalent
    -40 °C 1.6582 34CrNiMo6 - - DIN EN 10269 -
    - 1.6580 30CrNiMo8 - - DIN EN 10269 -
    - - - - - - -
    -60°C 1.7218 25CrMo4 KG W10 DIN EN 10269 ∼SAE 4130
    - 1.7258 24CrMo5 G - zurückgezogen -
    - 1.7219 26CrMo4 KA - zurückgezogen -
    - - - - - - -
    -100°C 1.7225 42CrMo4 GC - DIN EN 10269 ∼ASTM A320 L7
    - - - - - - -
    -120°C 1.5680 X12Ni5 KB W10 DIN EN 10269 ∼SAE 2515
    - - - - - - -
    -196°C 1.4301 X5CrNi18-10 A2 W10 DIN EN 10269 ∼AISI 304
    - 1.4307 X2CrNi18-9 A2 W10 DIN EN 10269 ∼AISI 304 L
    - 1.4401 X5CrNiMo17-12-2 A4 W10 DIN EN 10269 ∼AISI 316
    - 1.4404 X2CrNiMo17-12-2 A4 W10 DIN EN 10269 ∼AISI 316 L
    - 1.4980 X6NiCrTiMoVB25-15-2 SD - DIN EN 10269 ∼AISI 660
    - 2.4952 NiCr20TiAl SB - DIN EN 10269 ∼Alloy 80A
    - 2.4669 NiCr15Fe7TiAl - - DIN EN 10269 ∼Alloy X-750
    - - - - - - -
    -270°C 1.4429 X2CrNiMoN17-13-3 - W10 DIN EN 10269 ∼AISI 316 LN
    - 1.4910 X3CrNiMoBN17-13-3 - W10 DIN EN 10269 -

    Heat resistant steels

    Werkstoff Short name Character(Symbol) AD-2000 Specification Equivalent
    600°C 1.4913 X19CrMoNbVN11-1 VW - DIN EN 10269 -
    1.7711 40CrMoV4-6 GB - DIN EN 10269 -
    500°C 1.4923 X22CrMoV12-1 V / VH W7 DIN EN 10269 -
    1.7225 42CrMo4 GC W7 DIN EN 10269 ∼ASTM A193 B7
    1.7709 21CrMoV5-7 GA W7 DIN EN 10269 -
    400°C 1.4404 X2CrNiMo17-12-2 A4 W2 DIN EN 10269 ∼AISI 316 L
    1.4429 X2CrNiMoN17-13-3 - W2 DIN EN 10269 ∼AISI 316 LN
    1.4571 X6CrNiMoTi17-12-2 A5 W2 DIN EN 10088-3 ∼AISI 316 Ti
    1.4541 X6CrNiTi18-10 - W2 DIN EN 10088-3 ∼AISI 321
    1.4539 X1NiCrMoCuN25-20-5 - W2 DIN EN 10088-3 ∼AISI 904 L
    1.7218 25CrMo4 KG W7 DIN EN 10269 ∼SAE 4130
    1.7258 24CrMo5 G - zurückgezogen -
    1.7219 26CrMo4 KA - zurückgezogen -
    1.5511 35B2 YB W7 DIN EN 10269 -
    1.1181 C35E YK W7 DIN EN 10269 -
    350°C 1.4548 X5CrNi CuNb17-4-4 - - WL 1.4548 Teil 2 ∼AISI 630 / 17-4 PH
    1.4542 X5CrNiCuNb16-4 - - DIN EN 10088-3 ∼AISI 630 / 17-4 PH
    1.1191 C45E - - DIN EN 10269 -
    300°C 1.4401 X5CrNiMo17-12-2 A4 W2 DIN EN 10269 ∼AISI 316
    1.4301 X5CrNi18-10 A2 W2 DIN EN 10269 ∼AISI 304

    High temperature steels

    Werkstoff Number Short name Mark/ Brand Name
    1.4910 X3CrNiMoN1713
    1.4913 X19CrMoVNbN11-1 VW
    1.4923 X22CrMoV12 1 V
    1.4948 X6CrNi1811 Avesta 18-8
    1.4958 X5NiCrAlTi31-20 Incoloy 800 H
    1.4959 X8NiCrAlTi32-21 Incoloy 800 HT
    1.4961 X8CrNiNb1613 K
    1.4980 X5NiCrTi2615 SD
    1.4981 X8CrNiMoNb1616 O
    1.4986 X8CrNiMoBNb1616 S
    2.4952 NiCr20TiAl Nimonic 80A
    2.4669 NiCr15Fe7TiAl Inconel X-750
    2.4633 NiCr25FeAlY Alloy 602 CA
    (Nicrofer 6025 HT)
    2.4663 NiCr23Co12Mo Inconel 617
    2.4668 NiCr19NbMo Inconel 718
    2.4665 NiCr19NbMo Hastelloy X

    Non Magnetic Steels

    Werkstoff Number Short name Brand Name
    1.3948 X4CrNiMnMoN 19 13 8
    1.3952 X2CrNiMoN 18 14
    1.3957 X2CrNiMoNbN 21 15
    1.3964 X2CrNiMnMoNNb21 16 5 3
    1.3974 X3CrNiMoNbN 23 17

    Heat resistant steels and nickel alloys

    Werkstoff Number Short name Brand Name
    1.4713 X10CrAlSi7 SICRO 8
    1.4724 X10CrAlSi13 SICRO 9
    1.4742 X10CrAlSi18 SICRO 10
    1.4762 X10CrAlSi25 SICRO 12
    1.4821 X15CrNiSi25-4
    1.4828 X15CrNiSi20-12 AISI 309
    1.4835 X9CrNiSiNCe21-11-2 253 MA
    1.4841 X15CrNiSi2521 AISI 314 (310)
    1.4845 X8CrNi25-21 AISI 310S
    1.4864 X12NiCrSi35-16 AISI 330
    1.4876 X10NiCrAlTi32-21 Incoloy 800
    1.4876 H X10NiCrAlTi3220 Incoloy 800 H
    1.4876 HT X8NiCrAlTi3221 Incoloy 800 HT
    1.4878 X8CrNiTi18-10
    2.4816 NiCr15Fe Inconel 600
    2.4851 NiCr23Fe Inconel 601
    2.4856 NiCr22Mo9Nb Inconel 625
    2.4951 NiCr20Ti Nimonic 75

    Rust & Acid Resistant Materials

    Werkstoff Number Short name Mark/Brand Name
    1.4006 X12Cr13
    1.4016 X6Cr17
    1.4021 X20Cr13 AISI 420
    1.4024 X15Cr13
    1.4028 X30Cr13
    1.4034 X46Cr13
    1.4057 X17CrNi16-2 AISI 431
    1.4104 X14CrMoS17 AISI 430F
    1.4112 X90CrMoV18
    1.4122 X35CrMo17-1
    1.4301 X5CrNi18-10 AISI 304
    1.4305 X8CrNiS18-9 AISI 303
    1.4306 X2CrNi19-11 AISI 304L
    1.4310 X10CrNi18-8
    1.4313 X3CrNiMo13-4
    1.4361 X1CrNiSi18-15-4
    1.4362 X2CrNiN23-4 SAF 2304
    1.4371 X2CrMnNiN17-7-5
    1.4401 X5CrNiMo17-12-2 AISI 316
    1.4404 X2CrNiMo17-12-2 AISI 316L
    1.4410 X2CrNiMoN25-7-4 SAF 2507
    1.4418 X4CrNiMo16-5-1
    1.4429 X2CrNiMoN17-13-3 AISI 316LN
    1.4435 X2CrNiMo18-14-3 AISI 316L
    1.4436 X3CrNiMo17-13-3 AISI 316
    1.4438 X2CrNiMo18-15-4 AISI 317L
    1.4439 X2CrNiMoN17-13-5 AISI 317LNM
    1.4460 X3CrNiMoN27-5-2 AISI 329
    1.4462 X2CrNiMoN22-5-3 SAF 2507
    1.4501 X2CrNiMoCuWN25-7-4 Zeron 100
    1.4507 X2CrNiMoCuN25-7-4
    1.4529 X1NiCrMoCuN25-20-7 Alloy 926
    1.4539 X1NiCrMoCu25-20-5 Uranus B6
    1.4541 X6CrNiTi18-10 AISI 321
    1.4542 X5CrNiCuNb16-4 17-4PH
    1.4547 X1CrNiMoCuN20-18-7 254SMO
    1.4550 X6CrNiNb18-10 AISI 347/348
    1.4562 X1NiCrMoCu32-28-7 Alloy 31
    1.4563 X1NiCrMoCu31-27-4 Sanicro 28
    1.4571 X6CrNiMoTi17-12-2 AISI 316 Ti
    1.4578 X3CrNiCuMo17-11-3-2
    1.4580 X6CrNiMoNb17-12-2
    1.4586 X5NiCrMoCuNb2218

    Duplex and Super Duplex Steels

    Werkstoff Number Short name Brand Name
    1.4362 X2CrNiN23-4 SAF 2304
    1.4410 X2CrNiMoN25-7-4 SAF 2507
    1.4460 X3CrNiMoN27-5-2 AISI 329
    1.4462 X2CrNiMoN22-5-3 SAF 2507
    1.4501 X2CrNiMoCuWN25-7-4 (Zeron 100)

    High corrosion resistant nickel alloys

    Werkstoff Number Short name Brand Name
    2.4066 Ni 99,2 Nickel 200
    2.4068 LC-Ni 99 Nickel 201
    2.4360 NiCu30Fe Monel 400
    2.4375 NiCu30Al MonelK 500
    2.4600 NiMo29Cr Hastelloy B-3
    2.4602 NiCr21Mo14W Hastelloy C-22
    2.4603 Hastelloy G-30
    2.4605 NiCr23Mo16Al Alloy 59
    2.4606 Inconel 686
    2.4610 NiMo16Cr16Ti Hastelloy C-4
    2.4617 NiMo28 Hastelloy B-2
    2.4619 NiCr22Mo7Cu Hastelloy G-3
    2.4630 (2.4951) NiCr20Ti Nimonic 75
    2.4631 (2.4952) NiCr20TiAl Nimonic 80A
    2.4632 (2.4969) NiCr20Co18Ti Nimonic 90
    2.4633 NiCr25FeAlY (Nicrofer6025 HT) Alloy 602 CA
    2.4634 NiCo20Cr15MoAlTi Nimonic 105
    2.4654 NiCr19Co14Mo4Ti Waspaloy
    2.4658 NiCr7030 Cronix70
    2.466 NiCr20CuMo 20Cb3/Alloy 20
    2.4663 NiCr23Co12Mo Inconel 617
    2.4665 NiCr19NbMo Hastelloy X
    2.4668 NiCr19NbMo Inconel 718
    2.4669 NiCr15Fe7TiAl Inconel X-750
    2.4675 NiCr23Mo16Cu Hastelloy C-2000
    2.4816 NiCr15Fe Inconel 600
    2.4819 NiMo16Cr15W Hastelloy C-276
    2.4851 NiCr23Fe Inconel 601
    2.4856 NiCr22Mo9Nb Inconel 625
    2.4858 NiCr21Mo Incoloy 825
    2.4951 NiCr20Ti Nimonic 75
    2.4952 NiCr20TiAl Nimonic 80A
    2.4969 NiCr20Co18Ti Nimonic 90

    Titanium & Titanium Alloys

    Werkstoff Number Short name ASTM Werkstoff Number
    3.7035 Titan Titan Gr.2
    3.7165 TiAl6V4 Titan Gr.5
    3.7235 Ti2Pd Titan Gr.7

    Special Metals

    Werkstoff Number Brand Name UNS Number
    1.4542 17-4PH UNS S17400
    1.4547 254 SMO UNS S31254
    AerMet100 Alloy UNS K92580
    Ferralium 255
    1.6772 Monix 3 K
    1.3964 Nitronic50
    Nitronic60 UNS S21800
    1.4462 SAF 2205 UNS S31803
    1.4362 SAF 2304 UNS S32304
    1.441 SAF 2507 UNS S32750
    1.4563 SANICRO 28
    Tantal
    Uranus 50
    -1.4501 Zeron 100 UNS S32760
    Zirconium 702 UNS R60702
    • Carbon Steel 1018, 1020, 1040, 1045
    • Alloy Steel 4130, 4140, 4142, 4340, 6150, 8620
    • Chrome Moly Steel 25CRMO4, 21CRMOV5-7, 42CRMO4, 42CRMOV4-6
    • Austenitic Stainless Steel 301, 302, 303, 304, 316, 317, 321, 310, 309, 329, 347 & 348
    • Martensitic / Ferritic Stainless Steel 403, 405, 409, 410, 414, 416, 418, 420 & 430F
    • Super Austenitic Stainless Steel 904l, 253Ma, Alloy 20, Al-6xn, 310Moln, Alloy 230, Alloy 330 , Alloy 333
    • Precipitation Hardening Stainless Steel Alloy A-286, A453 GRADE 660, 15-5 Ph, 15-7 Ph, 17-7 Ph
    • Nitronic 30, 32, 33, 40
    • Duplex 32205 (F60), 31803 (F51);Super Duplex 32750 ( F53) , 32760 (F55), 329, 255FG46
    • Inconel 600, 601, 602, 603, 617, 625, 686, 702, 713, 718, 725, 738, 740, 783, X-750, 701, 901, 939
    • Incoloy 800, 800H, 800HT, 825, 925, 926, 945
    • Hastelloy C276, C22,C-2000,C4,B, B2, B3, G30, X, N
    • Monel Alloy 400, K-500, R405
    • Nimonic Alloy 80A, 90, 105, 115, 263
    • Titanium Grade1, 2, 3, 4, 5, 6, 7,8, 9, 11, 12, 19,23
    • Nickel 200, 201
    • Copper Nickel 70/30, 90/10
    • Silicon Bronze C651, C655, C656
    • Cobalt Alloys Invar 36 / 42, Waspalloy, MP35N / 159, Stellite 3/6/12/21, Rene 41, L605
    • Molybdenum Grade 361/363/364/365
    • Durehete 900/950/1055, JETHETE X19/M152, Hiduron 130/190, Tantalum, Zircoloy, Aluminium Alloy 2024, 6061, 7075

    ASTM / ASME Specification

    Grade Identification Specification Products Material Comparative EN Werkstoff
    No Grade Mark SAE J429 Grade 1 Bolts,
    Screws,
    Studs
    Low or Medium Carbon Steel ---
    ASTM A307 Grade A & B Low Carbon Steel ---
    SAE J429 Grade 2 Low or Medium Carbon Steel ---
    No Grade Mark SAE J429 Grade 4 Studs Medium Carbon
    Cold Drawn Steel
    ---
    B5 ASTM A193 Grade B5 Bolts, Screws, Studs
    for High Temperature Service

    Class 1:
    Carbide solution treated
    AISI 501 ~1.7362
    B6 ASTM A193 Grade B6 AISI 410 ~1.4006
    B7 ASTM A193 Grade B7 AISI 4140, 4142, 4105 ~1.7225
    B16 ASTM A193 Grade B16 CrMoVa Alloy Steel ~1.7711
    B8 ASTM A193 Grade B8 Class 1 AISI 304 ~1.4301
    B8C ASTM A193 Grade B8C Class 1 AISI 347 ~1.4550
    B8M ASTM A193 Grade B8M Class 1 AISI 316 ~1.4401
    B8T ASTM A193 Grade B8T Class 1 AISI 321 ~1.4541
    B8 ASTM A193 Grade B8 Class 2 Bolts, Screws, Studs
    for High Temperature Service

    Class 2:
    Carbide solution
    treated and strain hardend
    AISI 304 Strain Hardend ~1.4301
    B8C ASTM A193 Grade B8C Class 2 AISI 347 Strain Hardend ~1.4550
    B8M ASTM A193 Grade B8M Class 2 AISI 316 Strain Hardend ~1.4401
    B8T ASTM A193 Grade B8T Class 2 AISI 321 Strain Hardend ~1.4541
    L7 ASTM A320 Grade L7 Bolts, Screws, Studs
    for Low Temperature Service

    Quenched and Tempered
    AISI 4140, 4142, 4145 ~1.7225
    L7A ASTM A320 Grade L7A AISI 4037 ---
    L7B ASTM A320 Grade L7B AISI 4137 ~1.7220
    L7C ASTM A320 Grade L7C AISI 8740 ~1.6546
    L43 ASTM A320 Grade L43 AISI 4340 ~1.6580
    B8 ASTM A320 Grade B8 Class 1 Bolts, Screws, Studs
    for Low Temperature Service

    Class 1:
    Carbide solution treated
    AISI 304 ~1.4301
    B8C ASTM A320 Grade B8 Class 1 AISI 347 ~1.4550
    B8T ASTM A320 Grade B8 Class 1 AISI 321 ~1.4541
    B8F ASTM A320 Grade B8 Class 1 AISI 303 (Se) ~1.4305
    B8M ASTM A320 Grade B8 Class 1 AISI 316 ~1.4401
    B8 ASTM A320 Grade B8 Class 1 Bolts, Screws, Studs
    for Low Temperature Service

    Class 2:
    Carbide solution
    treated and strain hardend
    AISI 304 ~1.4301
    B8C ASTM A320 Grade B8C Class 2 AISI 347 ~1.4550
    B8T ASTM A320 Grade B8T Class 2 AISI 321 ~1.4541
    B8F ASTM A320 Grade B8F Class 2 AISI 303 (Se) ~1.4305
    B8M ASTM A320 Grade B8M Class 2 AISI 316 ~1.4401
    3 Radial Lines 120° SAE J429 Grade 5 Bolts, Screws, Studs Medium Carbon Steel
    Quenched and Tempered
    ---
    ASTM A449 ---
    3 Radial Lines 90° SAE J429 Grade 5.1 Bolts, Screws, Studs Low or Medium Carbon Steel
    Quenched and Tempered
    ---
    3 Radial Lines 60° SAE J429 Grade 5.2 Bolts, Screws, Studs Low Carbon Martensitic Steel
    Quenched and Tempered
    ---
    A325 ASTM A325 Type 1 High Strength Structural Bolts Medium Carbon Steel
    Quenched and Tempered
    ---
    -- ASTM A325 Type 2
    (Withdrawn)
    Low Carbon Martensitic Steel
    Quenched and Tempered
    ---
    A325 ASTM A325 Type 3 Atmospheric Corrosion Resisting Steel
    Quenched and Tempered
    ---
    BD ASTM A354 Grade BD Bolts, Studs Alloy Steel
    Quenched and Tempered
    ---
    BC ASTM A354 Grade BC ---
    5 Radial Lines SAE J429 Grade 7 Bolts, Screws Medium Carbon Alloy Steel
    Quenched and Tempered
    ---
    6 Radial Lines 60° SAE J429 Grade 8 Bolts, Screws, Studs Medium Carbon Alloy Steel
    Quenched and Tempered
    ---
    No Grade Mark SAE J429 Grade 8.1 Studs Medium Carbon Alloy or SAE 1041 Modified Elevated Temperature Drawn Steel ---
    A490 ASTM A490 High Strength Structural Bolts Alloy Steel Quenched and Tempered ~1.0050
    A453/A453M ASTM A453/A453M Grade 660 Class A / Class B / Class C / Class D --- ---
    ASTM A453/A453M Grade 651 Class A / Class B --- ---
    ASTM A453/A453M Grade 662 Class A / Class B --- ---
    ASTM A453/A453M Grade 665 Class A / Class B --- ---
    ASTM A453/A453M Grade 668 Class A / Class B --- ---